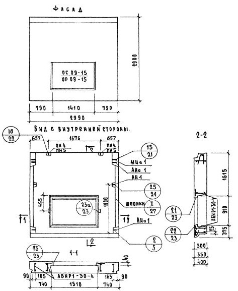
НР1-30.29.3-4
Характеристики изделия:
| Параметр | Значение |
|---|---|
| Длина | 2990 мм |
| Ширина | 300 мм |
| Высота | 2900 мм |
| Масса | 2860 кг |
| Нормативный дкумент | Серия 1.132-1 |
Цена:
Рассчитать стоимостьНР1-30.29.3-4 Наружная стеновая панель рядовая по Серии 1.132-1.
| Параметр | Значение |
|---|---|
| Длина | 2990 мм |
| Ширина | 300 мм |
| Высота | 2900 мм |
| Масса | 2860 кг |
| Нормативный дкумент | Серия 1.132-1 |
НР1-30.29.3-4 Наружная стеновая панель рядовая по Серии 1.132-1.