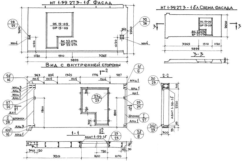
НТ1-59.27.3-1бл

Чертеж изделия:
Характеристики изделия:
ПараметрЗначение
Длина5895 мм
Ширина300 мм
Высота2650 мм
Масса5550 кг
Нормативный документСерия 1.132-1
Цена:
Рассчитать стоимость

НТ1-59.27.3-1бл   Наружная стеновая панель торцевая по Серии 1.132-1.